<<商品概要>>
商品名:0
育良 コードNo: ISK-HV3500
オレンジブック発注コード:793-0046
特徴
●溶接治具、組立治具、検査治具、加工治具に最適です。
●任意の位置に溶接、取付可能です。
用途
-
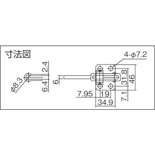
仕様
●全長(mm):142
●締圧力(kN):2.27
●付属ボルト径:M8×45
●クランプアーム移動角度(°):100
●ハンドル操作角度(°):60
●締付力(kN):2.27
仕様2
●下方押え型
●垂直ハンドル
●フランジベース
材質/仕上げ
●スチール
●ねじ先端ゴム:ニトリルゴム
セット内容・付属品
-
注意事項
●2Sはステンレスタイプです。